智慧树知到《电路原理(山东联盟)》章节测试答案
D.支路电流法
正确答案:结点电压法
5、若电路的独立结点数多于独立回路数,则选用()法。
A.结点电压法
B.支路电流法
C.网孔电流法
D.回路电流法
正确答案:回路电流法
6、在如图所示电路中,网孔2的网孔电流方程应为()。

7、如图所示电路,下列各回路电流方程中,正确的是()。

A.

B.

C.

D.

正确答案:

;

;

;

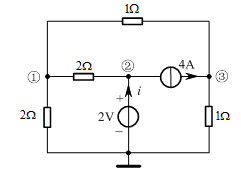
8、如图所示,下列各式中正确的是()。

A.

B.

C.

D.

正确答案:

;

;

第四章单元测试
1、在如图所示电路中,N为含源线性电阻网络,当Us=1V时,电阻R消耗的功率为4W;当Us=2V时,电阻R消耗的功率为9W;当Us=0V时,电阻R消耗的功率为()。

A.5W
B.1W
C.13W
D.7W
正确答案:1W
2、线性电路中某元件的端电压U和所通过的电流I取关联参考方向,用叠加定理求得该元件上的电压和电流分别为10V、-2A和2V、5A,则该元件所吸收的功率为36W。
A.正确
B.错误
正确答案:正确
3、如图所示电路,Is=6A,当Is和Us共同作用时U=14V,则Us应为()V。
Tag:智慧树电路原理章节测试 知到电路原理章节测试
时间:2023-12-03 10:12:23