智慧树知到《电工线路规划与实施》章节测试答案
A.7.07V
B.5V
C.10V
D.15V
正确答案:10V
第四章单元测试
1、测量三相交流电路的功率有很多方法,其中三瓦计法是测量()电路的功率。
A.三相三线制电路
B.对称三相三线制电路
C.三相四线制电路
D.对称三相四线制电路
正确答案:三相四线制电路
2、在电源对称的三相四线制电路中,若三相负载不对称,则该负载各相电压()
A.不对称
B.仍然对称
C.不一定对称
D.不确定
正确答案:仍然对称
3、已知接成Y形的三个电阻都是30Ω,则等效Δ形的三个电阻阻值为()
A.全是10Ω
B.两个30Ω一个90Ω
C.全是90Ω
D.全是30Ω
正确答案:两个30Ω一个90Ω
4、三相负载作三角形连接时,线电流在数量上是相电流的3倍。
A.正确
B.错误
正确答案:错误
5、三相四线制电路无论对称与不对称,都可以用二瓦计法测量三相功率。
A.正确
B.错误
正确答案:错误
第五章单元测试
1、图

电路换路前已达稳态,在t=0时断开开关S,则该电路()
A.电路有储能元件L,要产生过渡过程
B.电路有储能元件且发生换路,要产生过渡过程
C.因为换路时元件L的电流储能不发生变化,所以该电路不产生过渡过程
D.不确定
正确答案:因为换路时元件L的电流储能不发生变化,所以该电路不产生过渡过程
2、

所示电路已达稳态,现增大R值,则该电路()
A.因为发生换路,要产生过渡过程
B.因为电容C的储能值没有变,所以不产生过渡过程
C.因为有储能元件且发生换路,要产生过渡过程
D.不确定
正确答案:因为电容C的储能值没有变,所以不产生过渡过程
3、

所示电路在开关S断开之前电路已达稳态,若在t=0时将开关S断开,则电路中L上通过的电流 为()
A.2A
B.0A
C.-2A
D.3A
正确答案:2A
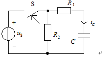
4、

所示电路,在开关S断开时,电容C两端的电压为()
A.10V
B.0V
C.按指数规律增加
D.5V
正确答案:10V
5、

图示电路在开关S闭合后的时间常数 值为()。
A.(R1+R2)C
B.R1C
C.(R1//R2)C
D.(R1//R2)
正确答案:R1C
第六章单元测试
1、在计算

图示电路过渡过程中的i,uR,uc时,所使用的时间常数 值()
A.是相同的,均为C//R